80mm CNC 4th Axis+Tailstock CNC dividing head/Rotation Axis/A axis
Stepper Motor:

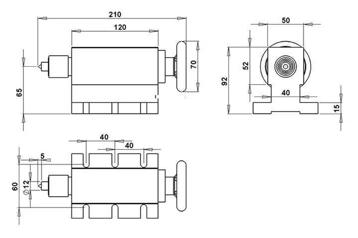
Chuck type:
Tailstock type:


- Nema 23 57x76mm
- Shaft Diameter: 8 mm
- Shaft length: 25.5mm
- Step Angle:1.8
- Current: 3A
- Voltage: 4.2V
- Temperature Rise :80 c max
- Ambient Temperature:-20 c--+50 c
- Phase No. : 2HP
- Insulation Resistance: 100MOhm(500V DC)
- Holding Torque: 18kg.cm

Chuck type:
- 80MM three jaw self-centering chuck
- Center Height 65mm
- Total height, 110MM
- Angle, 0.3 degree/step
- Reduction ratio:6:1 (synchronous deceleration mode)
- Magnetic stepping motor: Two-phase 57 step motor Four-wire
Fourth axis pulse equivalent settings:
The Mach3 system settings: the pulses for 1 required:
( the motor 1 Circle of pulse number × the drive of subdivision number × reduction ratio) ÷ 360 degrees
For example, the two-phase 57 motor, the ubdivision number 16, the reduction ratio 50:1
(200 × 16 × 50) ÷ 360 = 444.44444444)
Ncstudio system settings: the angle of a pulse walking:
360 ÷ (the motor 1 Circle of pulse numberr × × the drive of subdivision number × reduction ratio)
For example: the two-phase 57 motor, the breakdown of the number 16, reduction ratio 50:1
360 ÷ (200 × 16 × 50) = 0.00225
X or Y axis instead of the algorithm is:
Circumference ÷ (the motor 1 Circle of pulse numberr × × the drive of subdivision number × reduction ratio)
Engraving different sizes of round bars, equivalent needs to be set
Tailstock type:

- Center Height: 65mm
- Stretch distance:50mm
- Axial locking wrench for tailstock




评论
发表评论